link to Home Page

Drawings


Drawings are available for:

Generator, Lower Part
Generator, Upper Part
Critical Dimensions
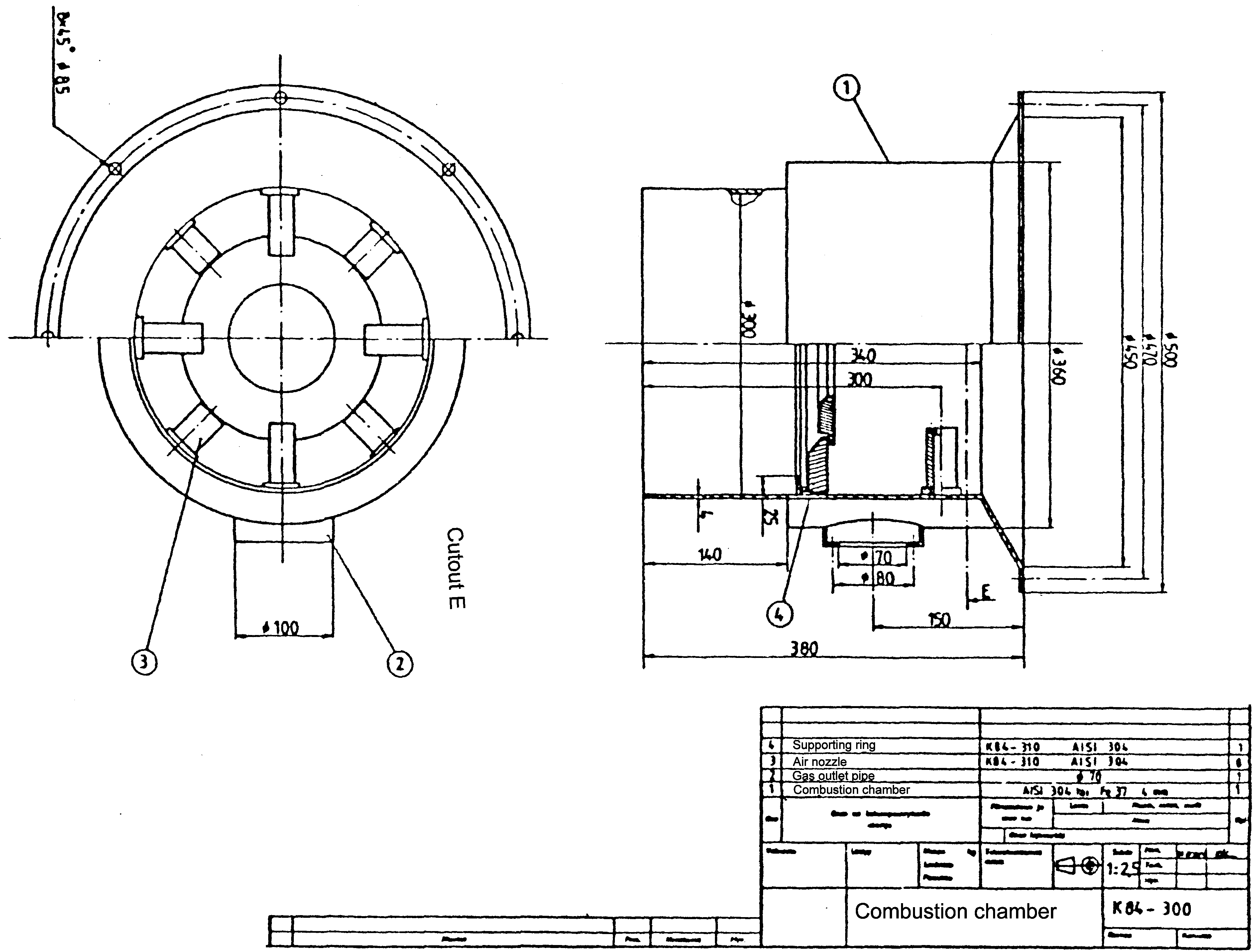
Combustion Chamber
Replaceable Parts of Combustion Chamber
Hearth
Spark Trap
Woven Glass Fabric Filter
Cooler
Reservoir
Mixer

Translated by Olli.

icon